Description
ZWO Off-Axis Guider, provides users with an efficient and convenient guiding solution, suitable for various astrophotography scenarios, the ideal choice for astronomy enthusiasts.
Currently available in three models: OAG, OAG-L, OAG-L-68
Specifications
Why Choose ZWO OAG?
Excellent Stability
ZWO Off-Axis Guider (OAG/OAG-L/OAG-L-68)is made of aluminum alloy, lightweight and elegant with moderate thickness, and features a set screw to secure the prism column, for firm and stable connection.
High Precision
ZWO Off-Axis Guider can connect both main camera and guide camera simultaneously, eliminating the need for a separate guide scope. It uses part of the light path from the main telescope for guiding, providing higher precision.
ZWO 1.25″ Dual-Focuser (Sold Separately)
When using OAG, pair with ZWO HF Dual-Focuser, for easy and precise focusing. The HF focuser is made of aviation-grade aluminum alloy, precision CNC machined, with sandblasted and anodized surface, for a non-slip and durable experience. (OAG-L and OAG-L-68 come with built-in dual-focuser, for stable guiding performance.)
Note: The ZWO HF (Helical Focuser) is designed exclusively for assisting focus adjustment when connecting ZWO mini series cameras to an OAG for guiding.
Connection Method
How to Use
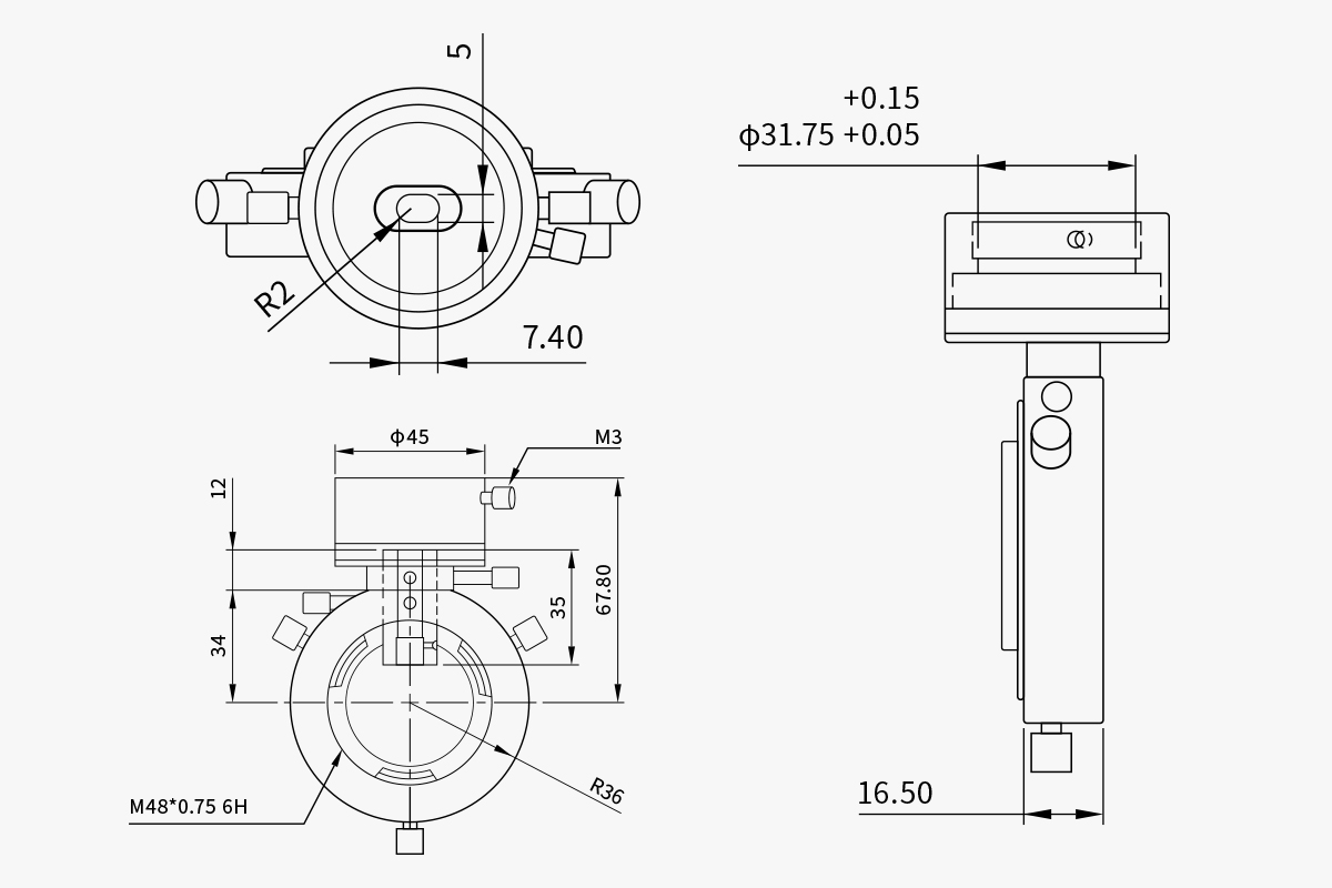
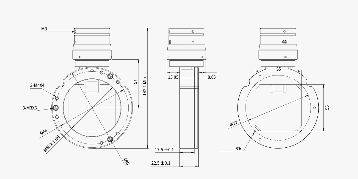
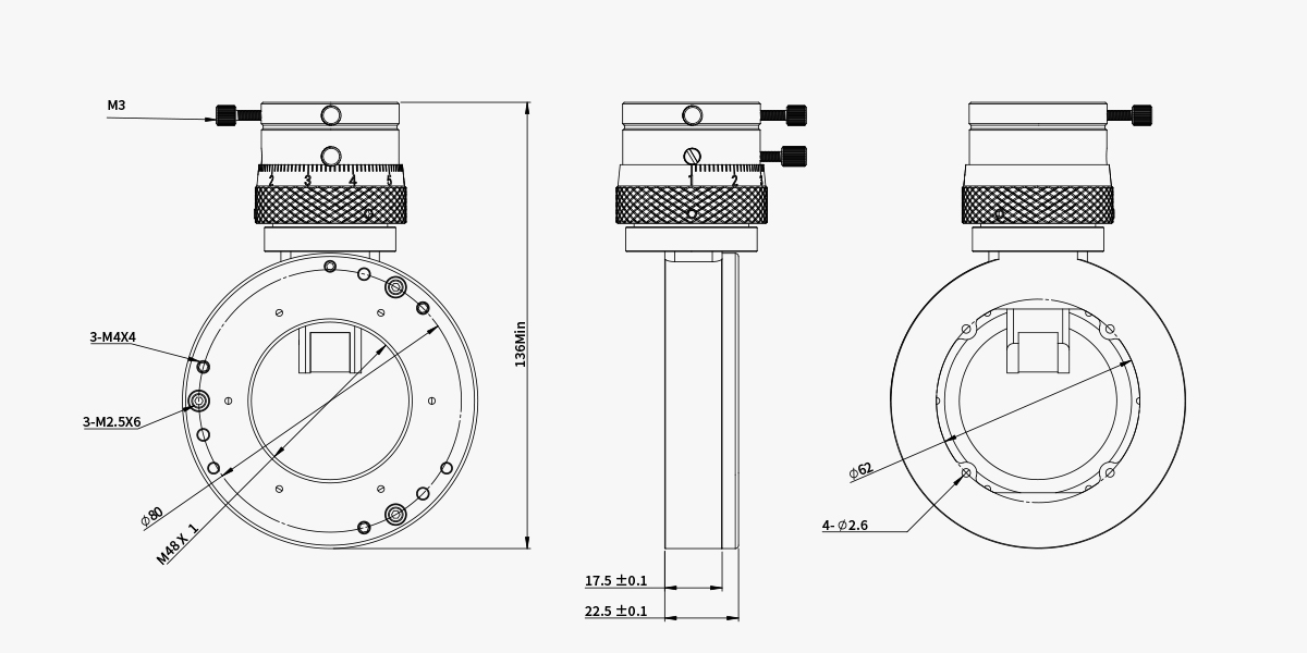
Mechanical Diagram
OAG
HF
OAG-L-68
OAG-L























Reviews
There are no reviews yet.